ul. Okrzei 5/37, 81-228 Gdynia
biuro@ait.gdynia.pl
+48 505 116 396

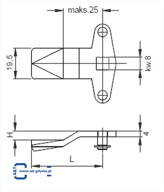
JĘZYKI 3-PUNKTOWE

Akcesoria do zamków

2-490
(nr strony)

JĘZYKI 3-PUNKTOWE

Języki 3-punktowe baskwilowe. Do montażu
z 2 baskwilami o długości odpowiadającej
połowie wysokości szafy każdy.
UWAGA:
Wymiar L wynosi 45 mm przy wszystkich
Standardowych językach. Języki o innej
długości od osi otworu są dostępne na
żądanie. Do użycia z zamkami z blokadą
zewnętrzną proszę wybrać języki z
przetłokiem. Do użycia z zamkami z blokadą
wewnętrzną proszę wybrać języki bez
przetłoku. Do użycia z produktami ze stali
nierdzewnej, proszę wybrać
języki ze stali nierdzewnej.

Wykonanie:
Stal ocynkowana lub stal nierdzewna.

JĘZYKI 3-PUNKTOWE
P/N stal (z przetłokiem) P/N stal (bez przetłoku) P/N stal nierdzewna (z przetłokiem) H, odgięcie zmniejszające lub zwiększające wysokość korpusu zamka w mm
2321S01 2321S01-U 2330S01 -14
2321S02 2321S02-U 2330S02 -12
2321S03 2321S03-U 2330S03 -10
2321S04 2321S04-U 2330S04 -8
2321S05 2321S05-U 2330S05 -6
2321S06 2321S06-U 2330S06 -5
2321S07 2321S07-U 2330S07 -4
2321S08 2321S08-U 2330S08 -2
2321S09 2321S09-U 2330S09 0 (prosty)
2321S10 2321S10-U 2330S10 2
2321S11 2321S11-U 2330S11 4
2321S12 2321S12-U 2330S12 6
2321S13 2321S13-U 2330S13 7
2321S14 2321S14-U 2330S14 8
2321S15 2321S15-U 2330S15 10
2321S16 2321S16-U 2330S16 12
2321S17 2321S17-U 2330S17 14
2321S18 2321S18-U 2330S18 16
2321S19 2321S19-U 2330S19 17
2321S20 2321S20-U 2330S20 18
2321S21 2321S21-U 2330S21 20
2321S22 2321S22-U 2330S22 22
2321S23 2321S23-U 2330S23 24
2321S24 2321S24-U 2330S24 26
2321S25 2321S25-U 2330S25 27
2321S26 2321S26-U 2330S26 29
2321S27 2321S27-U 2330S27 32

Pasuje do

Ta witryna korzysta z plików cookies.
Korzystanie z niniejszej witryny internetowej bez zmiany ustawień jest równoznaczne ze zgodą użytkownika na stosowanie plików Cookies .| Zrozumiałem i akceptuję.