ul. Okrzei 5/37, 81-228 Gdynia
biuro@ait.gdynia.pl
+48 505 116 396
Start
O firmie
Produkty
Facebook
Kontakt
Katalog do pobrania
Idź do
Start
O firmie
Produkty
Facebook
Kontakt
Katalog do pobrania
ELEMENT MONTAŻOWY
Akcesoria do zamków
Zamki - klamki wahadłowe
Zamki
Zamki ćwierćobrotowe
Akcesoria do zamków
Zamki z wkładkami patentowymi
Zamki meblowe
Zawiasy
Profile
Różne produkty
◀
▶
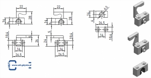
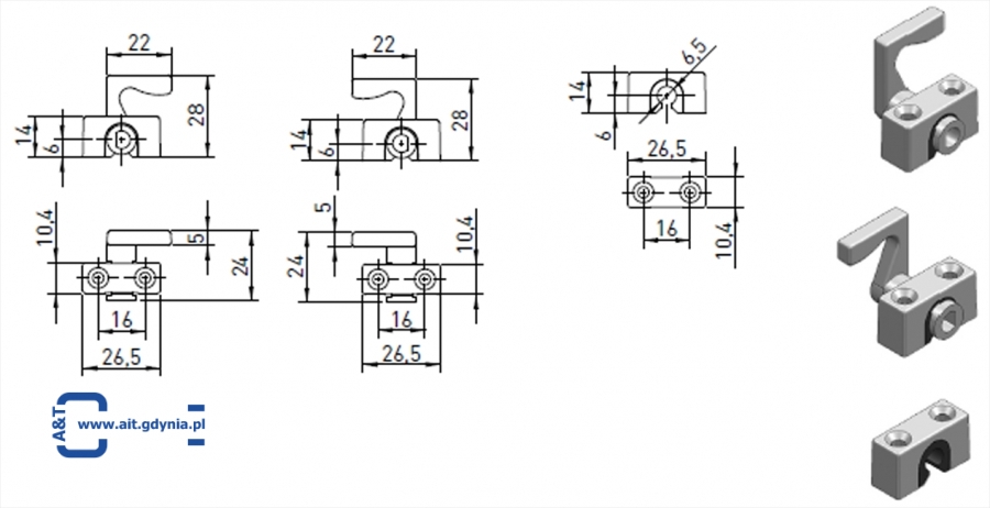
2-666.09
(nr strony)
ELEMENT MONTAŻOWY
Specyfikacja:
Wyświetl
Pobierz
ELEMENT MONTAŻOWY
P/N
Opis
Wykończenie (XX)
0968.500XX
Montaż R / H na śrubę
AL – aluminium
0968.501XX
Montaż L / H na śrubę
CN – czarny
0968.502XX
Prowadnica baskwila na śrubę
NI – nikiel
Ta witryna korzysta z plików cookies.
Korzystanie z niniejszej witryny internetowej bez zmiany ustawień jest równoznaczne ze zgodą użytkownika na stosowanie plików Cookies .|
Zrozumiałem i akceptuję.